免费看片91蝶閥

免费看片91氣動硬密封法蘭蝶閥產品簡介:
D643W 免费看片91氣動硬密封法蘭蝶閥是種高性能、長壽命蝶閥,主要由氣動執行裝置與免费看片91蝶閥組成,閥體與碟板均采用免费看片91材質製作,具有耐高溫、防腐蝕、耐高壓等特點。按連接方式不同可分為法蘭、對夾式或焊接式,不僅適用於開關兩位切斷控製,並可裝配閥門定位器,實現對介質流量、溫度、壓力等參數的比例調節。免费看片91氣動蝶閥可廣泛應用於高溫、高壓以及低溫、防火等管道作開關切斷或調節使用。
免费看片91氣動硬密封法蘭蝶閥工作原理:
D643W 免费看片91氣動硬密封法蘭蝶閥是以壓縮空氣(空壓機)為動力源,通過電磁閥換向去驅動氣動執行器,氣動執行器帶動碟板做0-90°的來回旋轉動作,從而達到對閥門的開啟和關閉。可根據工況需要,裝配上閥門定位器,控製碟板的旋轉開度,達到對介質流量等各項參數的智能調節型控製。
免费看片91氣動硬密封法蘭蝶閥優點:
1、氣動免费看片91蝶閥結構緊湊、體積小、重量輕、操作靈活、使用方便。
2、免费看片91蝶閥采用三維偏心彈性或多層次硬密封結構,,密封性能可靠,其中軟密封可達到零泄漏;
3、氣動免费看片91蝶閥具有耐高溫、高壓以及耐腐蝕、耐磨損等特點。
4、具有雙向密封功能,並且安裝方便,安裝時不受介質流向的控製,也不受空間位置的影響,可在任何方向安裝。
D643W 免费看片91氣動硬密封法蘭蝶閥主要性能規範:
公稱通徑 | DN(mm) | 50-4000 | ||
公稱壓力 | PN(MPa) | 1.0 | 1.6 | 2.5 |
試驗壓力 | 強度試驗 | 1.5 | 2.4 | 3.75 |
密封試驗 | 1.1 | 1.76 | 2.75 | |
氣密封試驗 | 0.6 | 0.6 | 0.6 | |
D643W 免费看片91氣動硬密封法蘭蝶閥零部件材料:
型號 | D343H-16 | D343W-16P | D343W-16R | |
工作壓力(MPa) | 1.6 | |||
適用溫度(℃) | ≤425 | ≤200 | ||
適用介質 | 水、油或非腐蝕性介質 | 硝酸類介質 | 醋酸類介質 | |
材料 | 閥體、蝶板 | WCB | CF8/304 | CF3M/316L |
閥杆 | 2Cr13 | 304 | 316L | |
閥體密封麵 | 堆焊 507 | - | - | |
蝶板密封麵 | 304+柔性石墨 | 304+PTFE | 304+PTFE | |
填料 | 柔性石墨 | PTFE | PTFE | |
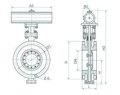
D643W 免费看片91氣動硬密封法蘭蝶閥--主要連接及外形尺寸:

| 公稱通徑 DN | 結構長度L | 外形尺寸(參考值) | 連接(標準值) | 參考 重量Dt343H | ||||||||||
| H | Dt343H | PN0.6MPa | PN1.0MPa | |||||||||||
| mm | inch | 短 | 長 | H1 | A1 | B1 | D | D1 | z-d | D | D1 | z-d | ||
| 50 | 2 | 108 | 150 | 112 | 350 | 180 | 200 | 140 | 110 | 4-14 | 165 | 125 | 4-18 | 17 |
| 65 | 5/2 | 112 | 170 | 115 | 370 | 180 | 200 | 160 | 130 | 4-14 | 185 | 145 | 4-18 | 20 |
| 80 | 3 | 114 | 180 | 120 | 380 | 180 | 200 | 190 | 150 | 4-18 | 200 | 160 | 8-18 | 23 |
| 100 | 4 | 127 | 190 | 138 | 420 | 180 | 200 | 210 | 170 | 4-18 | 220 | 180 | 8-18 | 25 |
| 125 | 5 | 140 | 200 | 164 | 460 | 180 | 200 | 240 | 200 | 8-18 | 250 | 210 | 8-18 | 40 |
| 150 | 6 | 140 | 210 | 175 | 555 | 270 | 280 | 165 | 225 | 8-18 | 285 | 240 | 8-22 | 47 |
| 200 | 8 | 152 | 230 | 208 | 605 | 270 | 280 | 320 | 280 | 8-18 | 340 | 295 | 8-22 | 60 |
| 250 | 10 | 165 | 250 | 243 | 680 | 270 | 280 | 375 | 335 | 12-18 | 395 | 350 | 12-22 | 95 |
| 300 | 12 | 178 | 270 | 283 | 800 | 380 | 420 | 440 | 395 | 12-22 | 445 | 400 | 12-22 | 124 |
| 350 | 14 | 190 | 290 | 310 | 835 | 380 | 420 | 490 | 445 | 12-22 | 505 | 460 | 16-22 | 181 |
| 400 | 16 | 216 | 310 | 340 | 915 | 450 | 470 | 540 | 495 | 16-22 | 565 | 515 | 16-26 | 260 |
| 450 | 18 | 222 | 330 | 380 | 960 | 480 | 490 | 595 | 550 | 16-22 | 615 | 565 | 20-26 | 338 |
| 500 | 20 | 229 | 350 | 410 | 1020 | 480 | 490 | 645 | 600 | 20-22 | 670 | 620 | 20-26 | 360 |
| 600 | 24 | 267 | 390 | 470 | 1225 | 480 | 660 | 755 | 705 | 20-26 | 780 | 725 | 20-30 | 540 |
| 700 | 28 | 292 | 430 | 550 | 1355 | 640 | 660 | 860 | 810 | 24-26 | 895 | 840 | 24-30 | 580 |
| 800 | 32 | 318 | 470 | 640 | 1470 | 640 | 660 | 975 | 920 | 24-30 | 1015 | 950 | 24-33 | 845 |
| 900 | 36 | 330 | 510 | 710 | 1545 | 750 | 860 | 1075 | 1020 | 24-30 | 1115 | 1050 | 28-33 | 1050 |
| 1000 | 40 | 410 | 550 | 770 | 1795 | 850 | 860 | 1175 | 1120 | 28-30 | 1230 | 1160 | 28-36 | 1500 |
| 1200 | 48 | 470 | 630 | 890 | 1965 | 850 | 900 | 1405 | 1340 | 32-33 | 1455 | 1380 | 32-39 | 2000 |
相關產品


